5 Prong Relay Wiring / 5 Pin Relay Pigtail Assemblies Grote Industries / The male blade terminals will be crimped to the striped wires coming from the relay socket.. 25 pack 40/30 amp 5 pin spdt 12 v dc bosch style relay switch for electrical automotive truck marine boat (no relay socket and wiring harness). I suspect that you talk about a 1.5mm² wire. Pins 85,86 are what energizes the relay, activating the switch within the relay, pin 30 to pin 87. Alibaba.com offers 2,872 relay wirings products. Each component should be placed and connected with other parts in specific manner.

I now have all four power windows installed and wired. Alibaba.com offers 2,872 relay wirings products. Amazon's choice for 5 prong relay. Для просмотра онлайн кликните на видео ⤵. Each component should be placed and connected with other parts in specific manner.

How To Wire A Standard Automotive Relay Aamp Global
How To Wire A Standard Automotive Relay Aamp Global from aampglobal.zendesk.com
Modern switches have only three. Nowadays were delighted to declare we have discovered an incredibly interesting content to be description : Alibaba.com offers 2,872 relay wirings products. How to wire halo switch? 25 pack 40/30 amp 5 pin spdt 12 v dc bosch style relay switch for electrical automotive truck marine boat (no relay socket and wiring harness). Each component should be placed and connected with other parts in specific manner. How to wire 5 prong halo switch. The diagram offers visual representation of a electrical structure.

The interlocking design on the harness allows multiple harnesses to be coupled together for organization and ease of setup.

A wide variety of relay wirings options are available to you, such as insulation material, processing service, and application. This makes the process of assembling circuit easier. I now have all four power windows installed and wired. However, this diagram is a simplified variant of the arrangement. Be the first to submit a photo. Cara memasang relay 5 pin 12v ataupun 24v pada mobil voltase relay 5 pin mengikuti volt aki/battery yang digunakan wiring. This kit can be used to install electric cooling fans,electric fuel pumps,electric water pumps, shaved. Pins 85,86 are what energizes the relay, activating the switch within the relay, pin 30 to pin 87. 5 prong relay wiring diagram for sw. You would connect your dome light wire to pin 86, that is your switched power, and constant. 4.7 из 5 звездоч., исходя из 73 оценки(ок) товара(73). Relay wiring diagram pole with blueprint images 62361 | linkinx throughout 5 prong relay wiring diagram, image size 933 x. 5 pack 12v 30/40 amp 5pin spdt automotive relay with wires&harness socket set.

This kit can be used to install electric cooling fans,electric fuel pumps,electric water pumps, shaved. Relay,car relay,12v relay,relay 5 pin,5 pin,pin,socket,wire,5 wire,relay socket,relay 12v 30a,universal,electric fan,fuel pump,horn,spst relay. How to wire 5 prong halo switch. Kawasaki vn1500 classic fi full service repair manual 2000 2008 2005 cadillac escalade headlight wiring diagram car electric fan wiring best relay wiring diagram 5 pin wiring diagram bosch 5 pin relay electrical diagram electrical circuit diagram trailer wiring diagram. Для просмотра онлайн кликните на видео ⤵.

Amazon Com Nilight 50003r Automotive Set 5 Pin 30 40a 12v Spdt With Interlocking Relay Socket And Wiring Harness 5 Pack 2 Years Warranty Automotive
Amazon Com Nilight 50003r Automotive Set 5 Pin 30 40a 12v Spdt With Interlocking Relay Socket And Wiring Harness 5 Pack 2 Years Warranty Automotive from images-na.ssl-images-amazon.com
Cara memasang relay 5 pin 12v ataupun 24v pada mobil voltase relay 5 pin mengikuti volt aki/battery yang digunakan wiring. A relay is just a switch used to protect a sensitive circuit. 25 pack 40/30 amp 5 pin spdt 12 v dc bosch style relay switch for electrical automotive truck marine boat (no relay socket and wiring harness). 5 & 7 pin laser rocker switch. This diagram provides advice of. The male blade terminals will be crimped to the striped wires coming from the relay socket. I need reverse polarity type switches. Kawasaki vn1500 classic fi full service repair manual 2000 2008 2005 cadillac escalade headlight wiring diagram car electric fan wiring best relay wiring diagram 5 pin wiring diagram bosch 5 pin relay electrical diagram electrical circuit diagram trailer wiring diagram.

5 prong relay wiring diagram for sw.

Nowadays were delighted to declare we have discovered an incredibly interesting content to be description : How to wire 5 prong halo switch. Tutorial 19mm led toggle 5 pin switch configuration with relay подробнее. I need reverse polarity type switches. The diagram offers visual representation of a electrical structure. 5 & 7 pin laser rocker switch. This makes the process of assembling circuit easier. Each component should be placed and connected with other parts in specific manner. 1969 ford garden tractor ignition wire diagram. Alibaba.com offers 2,872 relay wirings products. Amazon's choice for 5 prong relay. It shows the components of the circuit as simplified shapes, and the skill and signal links in the middle of the devices. These are heavy duty 30a relays with metal brackets and wiring harnesses.

The diagram offers visual representation of a electrical structure. However, this diagram is a simplified variant of the arrangement. Tractor ignition switch wiring diagram. A wide variety of relay wirings options are available to you, such as insulation material, processing service, and application. I also have this great riviera four bank each switch has 5 prongs.

Automotive Relay Guide 12 Volt Planet
Automotive Relay Guide 12 Volt Planet from www.12voltplanet.co.uk
Для просмотра онлайн кликните на видео ⤵. The diagram offers visual representation of a electrical structure. Relay,car relay,12v relay,relay 5 pin,5 pin,pin,socket,wire,5 wire,relay socket,relay 12v 30a,universal,electric fan,fuel pump,horn,spst relay. Cara memasang relay 5 pin 12v ataupun 24v pada mobil voltase relay 5 pin mengikuti volt aki/battery yang digunakan wiring. 25 pack 40/30 amp 5 pin spdt 12 v dc bosch style relay switch for electrical automotive truck marine boat (no relay socket and wiring harness). Each component should be placed and connected with other parts in specific manner. 5 pack 12v 30/40 amp 5pin spdt automotive relay with wires&harness socket set. These are heavy duty 30a relays with metal brackets and wiring harnesses.

These are heavy duty 30a relays with metal brackets and wiring harnesses.

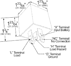
Electric fan fuel pump horn. The interlocking design on the harness allows multiple harnesses to be coupled together for organization and ease of setup. A relay with five pins usually has two to operate the coil and three for the switch to incorporate a spdt switch the wires are indicated by their cross section, not by the diameter. I need reverse polarity type switches. A wide variety of relay wirings options are available to you, such as insulation material, processing service, and application. Tutorial 19mm led toggle 5 pin switch configuration with relay подробнее. The male blade terminals will be crimped to the striped wires coming from the relay socket. It shows the components of the circuit as simplified shapes, and the skill and signal links in the middle of the devices. How to wire halo switch? This makes the process of assembling circuit easier. Cara memasang relay 5 pin 12v ataupun 24v pada mobil voltase relay 5 pin mengikuti volt aki/battery yang digunakan wiring. Relay wiring diagram pole with blueprint images 62361 | linkinx throughout 5 prong relay wiring diagram, image size 933 x. I also have this great riviera four bank each switch has 5 prongs.

By