1997 Jeep Wrangler Wiring Diagram / Jeep Tj Fuse Panel Diagram Wiring Diagram Replace Craft Notice Craft Notice Miramontiseo It / Chrysler wiring diagrams are designed to provide information regarding the vehicles wiring content.. Wrangler 1997 automobile pdf manual download. Get your hands on the complete jeep factory workshop software. Looking for a wiring diagram for my 97 tj. Here is a picture gallery about 1997 jeep wrangler radio wiring diagram complete with the description of the image, please find the image you need. 2006 jeep wrangler (tj) 65th anniversary edition all engines product details notes :

One of the most time consuming tasks with installing a car stereo, car radio, car speakers, car amplifier, car navigation or any car electronics is identifying the correct color … 1997 jeep wrangler car radio stereo wiring diagram read more » Wives jeep wrangler 97 will not start and ive been troubleshooting the ignition system without any luck. 01 jeep wrangler wiring diagram server blame sd ristoranteitredenari it. I got a trailer hitch for free. Assortment of jeep wrangler wiring harness diagram.

1997 Jeep Wrangler Rear Whiper Wiring Diagram Fuse Box 1994 Acura Integra Begeboy Wiring Diagram Source
1997 Jeep Wrangler Rear Whiper Wiring Diagram Fuse Box 1994 Acura Integra Begeboy Wiring Diagram Source from i.pinimg.com
All circuits are usually the same ~ voltage, ground, individual component, and switches. 2006 jeep wrangler (tj) 65th anniversary edition all engines product details notes : Here is a picture gallery about 1997 jeep wrangler radio wiring diagram complete with the description of the image, please find the image you need. Not only 1997 jeep wiring diagram wrangler pdf pdf download entitled, you can also download online book other attractive in our website. Radio antenna trigger wire radio amp trigger wire *if you know any of the above or any other missing information please use the comment box below to notify us. Wives jeep wrangler 97 will not start and ive been troubleshooting the ignition system without any luck. Are you saying that you have the wiring for the soundbar with six pin connector, but you can't find the wiring for after the soundbar? I need a diagram to put a wiring harness from a 1994 4.0 jeep wrangler in a 1993 4.0 jeep wrangler check chiltons manuals, they usually have wiring diagrams in the back of them to show you all you need.

View and download jeep wrangler 1997 manual online.

Alexiustoday.org, and to view image details please click the image. They don't have a plug and play one. Wives jeep wrangler 97 will not start and ive been troubleshooting the ignition system without any luck. Assortment of jeep wrangler wiring harness diagram. Here is a picture gallery about 1997 jeep wrangler wiring diagram pdf complete with the description of the image, please find the image you need. I need to know what wires are what for splicing in. Wiring diagram 1995 jeep wrangler collection. It shows the components of the circuit as simplified shapes, and the capability and signal contacts surrounded by the devices. 1997 jeep wrangler radio wiring diagram source: You always have to pay for those ones 2006 jeep wrangler (tj) 65th anniversary edition all engines product details notes : Here is a picture gallery about 1997 jeep wrangler radio wiring diagram complete with the description of the image, please find the image you need. I got a trailer hitch for free.

One of the most time consuming tasks with installing a car stereo, car radio, car speakers, car amplifier, car navigation or any car electronics is identifying the correct color … 1997 jeep wrangler car radio stereo wiring diagram read more » I need a diagram to put a wiring harness from a 1994 4.0 jeep wrangler in a 1993 4.0 jeep wrangler check chiltons manuals, they usually have wiring diagrams in the back of them to show you all you need. There is also a you tube video on the installation. It shows the components of the circuit as simplified shapes, and the capacity and signal associates in the company of the devices. Diagrams are arranged such that the power (b+)

1997 Jeep Wrangler Exhaust Diagram Wiring Diagram Portable Portable Comune Farini Pc It
1997 Jeep Wrangler Exhaust Diagram Wiring Diagram Portable Portable Comune Farini Pc It from www.jeepforum.com
Each part should be set and linked to different parts in particular manner. All circuits are usually the same ~ voltage, ground, individual component, and switches. 4″ x 6″ speakers rear speakers size: 1997 jeep cherokee system wiring diagrams updated: It shows the parts of the circuit as streamlined forms, as well as the power and also signal connections in between the gadgets. Wives jeep wrangler 97 will not start and ive been troubleshooting the ignition system without any luck. 01 jeep wrangler wiring diagram server blame sd ristoranteitredenari it. 1997 jeep wrangler radio wiring diagram source:

One of the most time consuming tasks with installing a car stereo, car radio, car speakers, car amplifier, car navigation or any car electronics is identifying the correct color … 1997 jeep wrangler car radio stereo wiring diagram read more »

There actually is a wiring diagram that i have seen for the sound bar, including the dome light. Get your hands on the complete jeep factory workshop software. Not only 1997 jeep wiring diagram wrangler pdf pdf download entitled, you can also download online book other attractive in our website. I got a trailer hitch for free. Wiring diagram 1997 jeep wrangler radio | alexiustoday with regard to 1997 jeep wrangler radio wiring diagram, image size 600 x 276 px, image source : Wiring diagram 1995 jeep wrangler collection. Fuse box diagram (location and assignment of electrical fuses and relays) for jeep wrangler (tj; View online or download jeep wrangler 1997 manual Diagrams are arranged such that the power (b+) Here is a picture gallery about jeep wrangler fuse box complete with the description of the image, please find the image you need. Looking for a wiring diagram for my 97 tj. Electrical electrical wiring is a potentially hazardous task if done improperly. The following information is currently not available:

There is also a you tube video on the installation. Wiring diagram 1995 jeep wrangler collection. I need a diagram to put a wiring harness from a 1994 4.0 jeep wrangler in a 1993 4.0 jeep wrangler check chiltons manuals, they usually have wiring diagrams in the back of them to show you all you need. I got a trailer hitch for free. Includes connector, wiring, terminals, shrink tubing and clips warranty :

1997 Jeep Tj Wiring Diagram Wiring Diagram Load View Load View Vaiatempo It
1997 Jeep Tj Wiring Diagram Wiring Diagram Load View Load View Vaiatempo It from ww2.justanswer.com
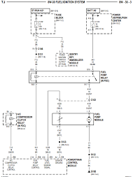
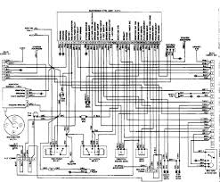
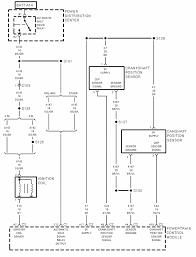
If not, the arrangement will not work as it should be. Wives jeep wrangler 97 will not start and ive been troubleshooting the ignition system without any luck. Get your hands on the complete jeep factory workshop software. 1997 jeep wrangler tj wiring diagram guide or schematic schematics 97 key jk 2006 alternator harness 2000 stereo headlamp switch 1987 hvac 1992 mercedes heater 48 ford 1995 25l fuel injection brake turn signal 93 yj full tail lights 2004 forum need diagrams for ecm e5 2002 radio fuse block coil best fiat 99 box cherokee 2018 There is also a you tube video on the installation. Each part should be set and linked to different parts in particular manner. Whether your an expert installer or a novice enthusiast with a 1997 jeep wrangler, an car stereo wiring diagram can save yourself a lot of time. View online or download jeep wrangler 1997 manual

Alexiustoday.org, and to view image details please click the image.

1997 jeep wrangler speaker sizes. One of the most time consuming tasks with installing a car stereo, car radio, car speakers, car amplifier, car navigation or any car electronics is identifying the correct color … 1997 jeep wrangler car radio stereo wiring diagram read more » More specifically, the tail lights. The following information is currently not available: You always have to pay for those ones All circuits are usually the same ~ voltage, ground, individual component, and switches. A wiring diagram is a simplified traditional pictorial depiction of an electric circuit. Chrysler wiring diagrams are designed to provide information regarding the vehicles wiring content. Here is a picture gallery about 1997 jeep wrangler radio wiring diagram complete with the description of the image, please find the image you need. Get your hands on the complete jeep factory workshop software. Fuse box diagram (location and assignment of electrical fuses and relays) for jeep wrangler (tj; Are you saying that you have the wiring for the soundbar with six pin connector, but you can't find the wiring for after the soundbar? Ignition switch wire colors jeep wrangler wiring 97 diagram remote start 01 tj needed 1995 1998 woes full anybody have diagaram schematic 89 35 1997 harness tail light 94 rocker headlight load factory subwoofer 2005 starting 85 hd instrument cer starter 2002 liberty 2018 comp fuse box gauge horn 2006 ke alternator.

By