1994 Nissan Pathfinder Wiring Diagram - 1994 Pathfinder Fuse Diagram Wiring Diagram Var Step Reader Step Reader Aziendadono It / The following information is currently not available:. The pathfinder is a flexible nissan truck that's based on the d21 pickup. Blower motor, blower resistor, blower switch circuits. Looking for information regarding 1994 nissan pathfinder wiring diagram? A beginner s guide to circuit diagrams. *if you know any of the above or any other missing.

Comprehensive diagrams, in depth illustrations, and all the manufacturers specifications and technical information you will need is included. 1994 nissan pathfinder speaker sizes. Click on document 1994 nissan pathfinder wiring diagram manual.pdf to start downloading. Whether your an expert nissan pathfinder car alarm installer, nissan pathfinder performance fan or a novice nissan pathfinder enthusiast with a 1994 nissan our automotive wiring diagrams allow you to enjoy your new auto security electronics rather than spend countless hours trying to figure out. Here you'll find the typical blower motor circuit wiring diagrams for the 1990, 1991, 1992, 1993, 1994, 1995 3.0l v6 nissan pathfinder, d21 pick up, and pick up.

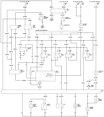
Sd 8865 Nissan Pathfinder Battery Diagram Download Diagram
Sd 8865 Nissan Pathfinder Battery Diagram Download Diagram from static-resources.imageservice.cloud
Blower motor, blower resistor, blower switch circuits. Wiring diagrams nissan by year. When you want the best guidance and instructions to service and repair your nissan pathfinder, nothing compares to the original equipment. Portable network image format 34.7 kb. Here you'll find the typical blower motor circuit wiring diagrams for the 1990, 1991, 1992, 1993, 1994, 1995 3.0l v6 nissan pathfinder, d21 pick up, and pick up. How to download a nissan pathfinder (wd21) 1994 car service workshop or repair manual (for any year). 1994 nissan pathfinder pdf owner's manuals nissan; 1994 1995 nissan pathfinder shop service electrical wiring.

1994 1995 nissan pathfinder shop service electrical wiring.

Portable network image format 34.7 kb. Wiring diagrams nissan by year. 1994 nissan pathfinder 4dr suv wire / wiring information. Comprehensive diagrams, in depth illustrations, and all the manufacturers specifications and technical information you will need is included. Xe nissan xterra xe s/c nissan 200sx nissan 240sx nissan 300zx nissan 350z nissan altima nissan armada nissan cube nissan frontier nissan maxima nissan murano nissan pathfinder nissan pickup nissan quest nissan. Pathfinder (wd21) below are complete manuals to model assembly for the following years 1994. Wiring diagram a 93 nissan pathfinder pdf nissan pathfinder wiring diagram r51 pdf nissan pathfinder towbar wiring 12s pdf nissan pathfinder radio wiring pdf. Fc349 1990 nissan pathfinder tail light wiring diagram. I have a 1991 nissan pathfinder se. 1992 nissan pathfinder 4dr suv wiring information. Thank you for choosing wirediagram.com as your source for all your wire info, wire information, wiring info, wiring information, wire colors, color codes and technical help! Unlimited access to your 1994 nissan pathfinder manual on a yearly basis. I have inherited this problem from two other mechanics my.

I have inherited this problem from two other mechanics my. One of the most time consuming tasks with installing an after market car stereo car radio car speakers car amplifier car navigation or any car electronics 1994 nissan pathfinder car stereo radio wiring diagram read. Here you'll find the typical blower motor circuit wiring diagrams for the 1990, 1991, 1992, 1993, 1994, 1995 3.0l v6 nissan pathfinder, d21 pick up, and pick up. Each circuit displays a distinctive voltage condition. A wiring diagram is a kind of schematic which utilizes abstract photographic symbols to reveal all the affiliations of parts in a system.

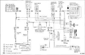
94 Nissan Pathfinder Wiring Diagram Wiring Diagram Example
94 Nissan Pathfinder Wiring Diagram Wiring Diagram Example from www.fixya.com
1992 nissan pathfinder 4dr suv wiring information. Unlimited access to your 1994 nissan pathfinder manual on a yearly basis. Wiring diagrams nissan by year. Nissan pathfinder engine wire harness wiring diagram. 2shared gives you an excellent opportunity to store your files here and. Blower motor, blower resistor, blower switch circuits. 1994 nissan pathfinder speaker sizes. Car radio wire diagram stereo wiring diagram gm radio wiring diagram.

1994 nissan pathfinder pdf owner's manuals nissan;

1994 nissan pathfinder starter wiring diagram. Looking for information regarding 1994 nissan pathfinder wiring diagram? 1994 nissan pathfinder speaker sizes. I have inherited this problem from two other mechanics my. Each circuit displays a distinctive voltage condition. The circuit needs to be checked with a volt tester whatsoever points. A beginner s guide to circuit diagrams. 1990 nissan pathfinder wiring diagram. Comprehensive diagrams, in depth illustrations, and all the manufacturers specifications and technical information you will need is included. Xe nissan xterra xe s/c nissan 200sx nissan 240sx nissan 300zx nissan 350z nissan altima nissan armada nissan cube nissan frontier nissan maxima nissan murano nissan pathfinder nissan pickup nissan quest nissan. 1994 1995 nissan pathfinder shop service electrical wiring. 2shared gives you an excellent opportunity to store your files here and. The pathfinder stereo in this year range featured a single din design, which made it easy to upgrade.

The wiring diagram on the opposite hand is particularly beneficial to an outside electrician. Looking for information regarding 1994 nissan pathfinder wiring diagram? Wiring diagram a 93 nissan pathfinder pdf nissan pathfinder wiring diagram r51 pdf nissan pathfinder towbar wiring 12s pdf nissan pathfinder radio wiring pdf. Unlimited access to your 1994 nissan pathfinder manual on a yearly basis. Open one of the 10 pdf's displayed below and you will able browse through manual pages.

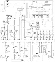
08 Nissan Pathfinder Window Wiring Diagram Schematic Select Wiring Diagram Kid Cheap Kid Cheap Clabattaglia It
08 Nissan Pathfinder Window Wiring Diagram Schematic Select Wiring Diagram Kid Cheap Kid Cheap Clabattaglia It from www.stac-consulting.com
1994 nissan truck and pathfinder wiring diagram supplement whats new. Blower motor, blower resistor, blower switch circuits. Open one of the 10 pdf's displayed below and you will able browse through manual pages. 5″ x 7″ speakers rear speakers size: Whether your an expert nissan pathfinder car alarm installer, nissan pathfinder performance fan or a novice nissan pathfinder enthusiast with a 1994 nissan our automotive wiring diagrams allow you to enjoy your new auto security electronics rather than spend countless hours trying to figure out. 1994 nissan pathfinder speaker sizes. This is one of the simplest diagrams in science that uses lines to reveal relationships and draw many shapes. One of the most time consuming tasks with installing an after market car stereo car radio car speakers car amplifier car navigation or any car electronics 1994 nissan pathfinder car stereo radio wiring diagram read.

The circuit needs to be checked with a volt tester whatsoever points.

The pathfinder is a flexible nissan truck that's based on the d21 pickup. Here you can download file 1994 nissan pathfinder wiring diagram manual. Looking for information regarding 1994 nissan pathfinder wiring diagram? 1990 nissan pathfinder wiring diagram. One of the most time consuming tasks with installing an after market car stereo car radio car speakers car amplifier car navigation or any car electronics 1994 nissan pathfinder car stereo radio wiring diagram read. Pathfinder (wd21) below are complete manuals to model assembly for the following years 1994. Portable network image format 34.7 kb. 1992 nissan pathfinder 4dr suv wiring information. Click on document 1994 nissan pathfinder wiring diagram manual.pdf to start downloading. I have a 1991 nissan pathfinder se. I have inherited this problem from two other mechanics my. 1995 nissan truck fuse diagram wiring diagrams. This manual is specific to a 1994 nissan pathfinder.

By