2003 Ford Focus Radio Wiring Diagram - 2003 Ford Focus Stereo Wiring Wiring Diagram Electron Warehouse B Electron Warehouse B Leoracing It - This (like all of our manuals) is available to download for free in pdf format. . Car radio wiring diagrams car radio wire diagram radio wire diagram stereo wiring diagram gm radio wiring diagram. Service manuals, schematics, eproms for electrical technicians. Clicking this will make more experts see the question and we will remind you when it gets answered. As stated earlier if you are installing a new or aftermarket stereo into your focus, you will need a install kit like the one shown above. When i turn on the headlights, the radio display light turns off.
View and download ford focus owner's manual online. 145 ford focus workshop, owners, service and repair manuals. Limited ford windstar lx ford windstar se ford windstar sel ford zx2 ford aerostar ford aspire ford bronco ford cab & chassis ford club wagon ford contour ford crown victoria ford cutaway ford econoline ford edge ford escape ford escort ford excursion ford. Содержательные обзоры 2003 ford focus radio: Notice, is reserved as part of ford's policy of continuous.
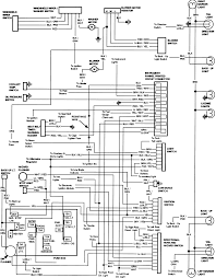
2003 Ford Focus Radio Wiring Harness Diagram Ford Tow Package Wiring Harness Bege Wiring Diagram from www.focusfanatics.com I noticed that the original connector has space for seven pins, but the last slot has no wiring. Copyright © 2003 ford motor company. Wiring wire harness cooling sistems ford focus 2002. When i turn on the headlights, the radio display light turns off. Ford mustang 2000 radio wiring diagram.png. Search for other files in same category(car) or same brand (ford). The ford focus car wiring diagram listed on this page can help you enjoy your new or used radio, instead of wasting time looking up the wiring for your focus. One response to 2003 ford focus.
This (like all of our manuals) is available to download for free in pdf format. We believe in helping you find the product that is right for you. This site helps you to save the earth from electronic waste! Ford focus c max wiring diagram pinout of ford obd ii diagnostic interfacediagnostic interface for most modern ford vehicles, 2016 16 ford c. Autostore allows you to set strong radio stations on the fm band without losing your original manually set preset stations. 1997 fixya rh com ford f 150 wiring harness diagram stereo, 2003 ford focus se. Copyright © 2003 ford motor company. Notice, is reserved as part of ford's policy of continuous. Wiring wire harness cooling sistems ford focus 2002. Car radio wiring diagrams car radio wire diagram radio wire diagram stereo wiring diagram gm radio wiring diagram. Ford mustang 2000 radio wiring diagram.png. The connections from all major parts to the respective ground points. Popular 2003 ford focus radio of good quality and at affordable prices you can buy on aliexpress. One response to 2003 ford focus.
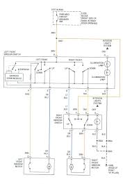
The connections from all major parts to the respective ground points. Ford motor company ltd/ford werke ag 2003. Car mp5 player ford focus. If you can't find your car radio or stereo wire diagram on modified life, please feel free to post a car wiring diagram request at the bottom of this page and we'll do our best to find. One response to 2003 ford focus.
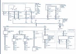
Radio Wiring Harness For Ford Taurus 2013 Ford Focus Fuse Box Diagram Impalafuse Yenpancane Jeanjaures37 Fr from www.taurusclub.com The ford focus car wiring diagram listed on this page can help you enjoy your new or used radio, instead of wasting time looking up the wiring for your focus. Copyright © 2003 ford motor company. Ford focus 2010 wiring diagrams pdf.pdf. I have a 2004 f150 and i'm looking for a wiring diagram for the radio. Car mp5 player ford focus. Write the numbers correctly and click download. We have 145 ford focus manuals covering a total of 28 years our most popular manual is the ford focus 2002 wiring diagram pdf. Always verify all wires, wire colors and diagrams before applying any information found here to your 2003 ford focus.
You can find a 2002 ford explorer radio wiring diagram at most ford dealerships. Copyright © 2003 ford motor company. Clicking this will make more experts see the question and we will remind you when it gets answered. I noticed that the original connector has space for seven pins, but the last slot has no wiring. The ford focus car wiring diagram listed on this page can help you enjoy your new or used radio, instead of wasting time looking up the wiring for your focus. Car mp5 player ford focus. A forum community dedicated to ford focus owners and enthusiasts. Ford motor company ltd/ford werke ag 2003. Ford focus 2010 wiring diagrams pdf.pdf. 2003 5 focus wired diagram. Ford mustang 2000 radio wiring diagram.png. 145 ford focus workshop, owners, service and repair manuals. Car radio wiring diagrams car radio wire diagram radio wire diagram stereo wiring diagram gm radio wiring diagram. No part of this publication may be reproduced, stored in a retrieval.
No part of this publication may be reproduced, stored in a retrieval. Search for other files in same category(car) or same brand (ford). Them at low cost from ahdol com a ford focus fuse diagram, free ford. Write the numbers correctly and click download. Ford motor company ltd/ford werke ag 2003.
2005 Ford Focus Radio Wiring Diagram Wiring Diagram Www Www Atlanticsport It from i.imgur.com Always verify all wires, wire colors and diagrams before applying any information found here to your 2003 ford focus. Ford mustang 2000 radio wiring diagram.png. Popular 2003 ford focus radio of good quality and at affordable prices you can buy on aliexpress. 1997 fixya rh com ford f 150 wiring harness diagram stereo, 2003 ford focus se. This (like all of our manuals) is available to download for free in pdf format. Ford focus c max wiring diagram pinout of ford obd ii diagnostic interfacediagnostic interface for most modern ford vehicles, 2016 16 ford c. This site helps you to save the earth from electronic waste! Service manuals, schematics, eproms for electrical technicians.
Ford focus 2010 wiring diagrams pdf.pdf. Always verify all wires, wire colors and diagrams before applying any information found here to your 2003 ford focus. I have a 2004 f150 and i'm looking for a wiring diagram for the radio. I need to know what wire is what in the 2 connectors on the back of the radio. Fuse box location and diagrams: Search for other files in same category(car) or same brand (ford). 1997 fixya rh com ford f 150 wiring harness diagram stereo, 2003 ford focus se. Ford motor company ltd/ford werke ag 2003. This site helps you to save the earth from electronic waste! The ford focus car wiring diagram listed on this page can help you enjoy your new or used radio, instead of wasting time looking up the wiring for your focus. Copyright © 2003 ford motor company. Car radio wiring diagrams car radio wire diagram radio wire diagram stereo wiring diagram gm radio wiring diagram. Service manuals, schematics, eproms for electrical technicians. Содержательные обзоры 2003 ford focus radio:
Source: 2.bp.blogspot.com As stated earlier if you are installing a new or aftermarket stereo into your focus, you will need a install kit like the one shown above. Низкая цена для 2003 ford focus radio: Содержательные обзоры 2003 ford focus radio: Car radio stereo audio wiring diagram autoradio connector wire installation schematic schema esquema de conexiones stecker konektor connecteur cable shema. Write the numbers correctly and click download.
Source: cfd84b34cf9dfc880d71-bd309e0dbcabe608601fc9c9c352796e.ssl.cf1.rackcdn.com Ford mustang 2000 radio wiring diagram.png. Car mp5 player ford focus. When i turn on the headlights, the radio display light turns off. I need to know what wire is what in the 2 connectors on the back of the radio. 2003 5 focus wired diagram.
Source: www.f150forum.com Ford fiesta 2003 electric schematic.pdf. Autostore allows you to set strong radio stations on the fm band without losing your original manually set preset stations. Fuse box location and diagrams: Ford focus 2010 wiring diagrams pdf.pdf. Notice, is reserved as part of ford's policy of continuous.
Source: peaveyschematics.dz-art.fr Come join the discussion about svt performance, modifications, classifieds, troubleshooting, maintenance, and. I noticed that the original connector has space for seven pins, but the last slot has no wiring. This (like all of our manuals) is available to download for free in pdf format. Ford mustang 2000 radio wiring diagram.png. View and download ford focus owner's manual online.
Source: f01.justanswer.com I need to know what wire is what in the 2 connectors on the back of the radio. I have a 2004 f150 and i'm looking for a wiring diagram for the radio. This (like all of our manuals) is available to download for free in pdf format. Ford focus c max wiring diagram pinout of ford obd ii diagnostic interfacediagnostic interface for most modern ford vehicles, 2016 16 ford c. Car mp5 player ford focus.
Source: i0.wp.com If you can't find your car radio or stereo wire diagram on modified life, please feel free to post a car wiring diagram request at the bottom of this page and we'll do our best to find. Limited ford windstar lx ford windstar se ford windstar sel ford zx2 ford aerostar ford aspire ford bronco ford cab & chassis ford club wagon ford contour ford crown victoria ford cutaway ford econoline ford edge ford escape ford escort ford excursion ford. We have 145 ford focus manuals covering a total of 28 years our most popular manual is the ford focus 2002 wiring diagram pdf. Autostore allows you to set strong radio stations on the fm band without losing your original manually set preset stations. Notice, is reserved as part of ford's policy of continuous.
Source: www.chanish.org No part of this publication may be reproduced, stored in a retrieval. Ford motor company ltd/ford werke ag 2003. 145 ford focus workshop, owners, service and repair manuals. As stated earlier if you are installing a new or aftermarket stereo into your focus, you will need a install kit like the one shown above. The ford focus car wiring diagram listed on this page can help you enjoy your new or used radio, instead of wasting time looking up the wiring for your focus.
Source: images.gtcarlot.com Come join the discussion about svt performance, modifications, classifieds, troubleshooting, maintenance, and. 1997 fixya rh com ford f 150 wiring harness diagram stereo, 2003 ford focus se. Ford focus c max wiring diagram pinout of ford obd ii diagnostic interfacediagnostic interface for most modern ford vehicles, 2016 16 ford c. Here are all of the sync/radio wiring diagrams for all versions of the mk3 focus. Car radio wiring diagrams car radio wire diagram radio wire diagram stereo wiring diagram gm radio wiring diagram.
Source: www.taurusclub.com If you can't find your car radio or stereo wire diagram on modified life, please feel free to post a car wiring diagram request at the bottom of this page and we'll do our best to find. Autostore allows you to set strong radio stations on the fm band without losing your original manually set preset stations. A forum community dedicated to ford focus owners and enthusiasts. Here are all of the sync/radio wiring diagrams for all versions of the mk3 focus. Fuse box location and diagrams:
Source: tse3.mm.bing.net Autostore allows you to set strong radio stations on the fm band without losing your original manually set preset stations.
Source: lh4.googleusercontent.com The ford focus car wiring diagram listed on this page can help you enjoy your new or used radio, instead of wasting time looking up the wiring for your focus.
Source: peaveyschematics.dz-art.fr Them at low cost from ahdol com a ford focus fuse diagram, free ford.
Source: www.focusst.org Car radio stereo audio wiring diagram autoradio connector wire installation schematic schema esquema de conexiones stecker konektor connecteur cable shema.
Source: tse2.mm.bing.net As stated earlier if you are installing a new or aftermarket stereo into your focus, you will need a install kit like the one shown above.
Source: static-cdn.imageservice.cloud Autostore allows you to set strong radio stations on the fm band without losing your original manually set preset stations.
Source: ww2.justanswer.com Limited ford windstar lx ford windstar se ford windstar sel ford zx2 ford aerostar ford aspire ford bronco ford cab & chassis ford club wagon ford contour ford crown victoria ford cutaway ford econoline ford edge ford escape ford escort ford excursion ford.
Source: i0.wp.com 145 ford focus workshop, owners, service and repair manuals.
Source: www.therangerstation.com Them at low cost from ahdol com a ford focus fuse diagram, free ford.
Source: lh4.googleusercontent.com Limited ford windstar lx ford windstar se ford windstar sel ford zx2 ford aerostar ford aspire ford bronco ford cab & chassis ford club wagon ford contour ford crown victoria ford cutaway ford econoline ford edge ford escape ford escort ford excursion ford.
Source: ww2.justanswer.com No part of this publication may be reproduced, stored in a retrieval.